GBP410,GBP407,GBP408,GBP406,ASEMI整流桥,内置74MIL芯片,适配高端电源/电脑适配器等
  • 型 号GBP410

    品 牌ASEMI

    封 装GBP-4

    特 性超标准芯片

  • 正向电流
    (lo)
    反向耐压
    VRRM
    芯片材质
    Chip Material
    芯片个数
    Chip Number
    漏电流
    (lr)
    操作温度
    Temperature
    4A 50V~1000V 光阻GPP 4 2ua -50℃~150℃
    正向电压
    (VF)
    浪涌电流
    IFSM
    芯片尺寸
    Chip Size
    引线数量
    Lead Number
    恢复时间
    (Trr)
    包装方式
    Package
    1.05V 125A 84MIL 4 >2000ns 500/盒;5K/箱

    采用玻封GPP工艺芯片,密封性可靠性好,防止电性出现衰降情况

    采用镭射激光打标,不易褪色防止翻新;环氧塑脂塑封稳定性好

    采用无氧铜框架引脚,镀亮锡防止氧化不上锡、内阻小导电性好

    采用5层大瓦楞牛皮纸箱,4道禁锢带保护,耐压耐磨可重复利用

    内盒采用防潮塑膜保护,方便仓库长期存贮,上机易上锡易焊接

    采购热线:

    400-9929-667

    视频解说/ VIDEO

    产品参数详解/ PRODUCT PARAMETERS

    视频内容详解:

    ASEMI品牌GBP406,系列产品GBP408、GBP404,供应GBP410,全国服务热线:400-9929-667,波峰GPP芯片,可靠稳定性高,产品离散性高度一致。 本产品原装正品,质量保证高稳定性和可靠性,欢迎咨询 取样测试。

    视频内容详解:

    ASEMI品牌GBP410,系列产品GBP408、GBP406,供应GBP404,全国服务热线:400-9929-667,波峰GPP芯片,可靠稳定性高,产品离散性高度一致。 本产品原装正品,质量保证高稳定性和可靠性,欢迎咨询 取样测试。

    GBP410

    产品细节/ DETAIL

    小图1

    采用玻封GPP工艺芯片,密封性可靠性好,防电性衰降

    小图2

    镭射激光打标,不易褪色;环氧树脂塑封,绝缘稳定性好

    小图3

    框架引脚采用无氧铜材料,内阻小导电性好,镀锡防氧化

    小图4

    独立小包装,防止物料积压碰撞刮花,产品信息标注明确

    KBP箱子3

    5层大瓦楞牛皮纸箱,4道紧固带保护,耐压耐磨可重复利用

    小图6

    3层小瓦楞内盒+防潮塑膜保护,方便存贮,上机易上锡焊接

    产品详解/ DESCRIPTION

    详解1
    详解2
    激光印字 / GREEN LASER PRINTER

    ●镭射激光打标,不易退色,解决易掉色困扰,防止翻新与冒牌问题

    ●生产效率高,订单交期快,解决货期长,生产低效率问题

    外壳封装 / ADVANCED PLASTIC PACKAGING

    ●采用环氧树脂材料一次性注塑成型,边角无毛刺

    ●环氧树脂阻燃性能好,强度高,耐高温,外力冲击不易裂

    引脚 /  OXYGEN-FREE COPPER PINS

    ●采用无氧铜材料,镀亮锡,防止氧化,易上锡易焊接

    ●内阻小导电性好,承受大电流冲击发热小

    “ASEMI”品牌的LOGO

    A = advanced(先进)

    SEMI = semiconductor (半导体)

    ●【AF28】代表产品批号。

    ●【AF】A代表生产年份,F代表生产月份。

    ●【 28 】表示生产批次。

    型号解析 / Model analysis

    ●【GBP410】代表本产品的完整型号

    ●【GBP】为本产品的封装方式

    ●【4】代表其正向电流为4A

    ●【10】代表其反向耐压为1000V


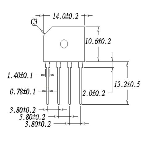
    产品尺寸/ SIZE

    20190801180042_8129
  • 本体长度 :

    14.0mm
  • 本体厚度 :

    3.20mm
  • 本体高度 :

    10.6mm
  • 引脚间距 :

    3.80mm
  • 20190801180050_7660
  • 引脚长度:

    13.2mm
  • 引脚宽度:

    1.40mm
  • 引脚厚度:

    0.35mm

  • 台湾工艺/ PROCESS

    产品

    持续稳定

    产品持续稳定

    采用GPP玻封芯片,产品持续稳定

    产品

    数量准确

    产品数量准确

    严格的外检包装程序,产品数量准确,包装无破损

    注塑

    一步成型

    注塑一步成型

    自动化设备支持注塑一步成型

    经过

    6道质检

    经过6道质检

    检测Vb、Io、If、Vf、Ir等12个参数经过6道检测,△V控制在80V以内,提高4颗芯片的一致性和可靠性

    完善

    人际交互

    完善人际交互

    分筋,切割,分离,完善的人际交互流程

    产品PK/ PRODUCT PK

    GBU PK1 GBU PK2

    ASEMI采用74MIL; 玻封GPP芯片,参数一致性好,输出稳定

    某些采用60MIL; 长时间工作发热严重,容易炸机等品质不良

    PK-1 GBP210 PK 3

    ASEMI采用镭射激光打标方式,耐洗板水的腐蚀,丝印不易掉色

    普通油墨丝印容易掉字,污染电路板,存在恶意翻新,贴牌等不良隐患

    PK-2 GBP210 PK 4

    ASEMI采用无氧铜材料,导电性好,镀锡层,保存简单,防氧化易焊接

    用普通铜框架材料或铁质引脚,易造成引脚氧化,不上机虚焊脱焊,阻抗大

    ASEMI 设备PK 1 设备精度低Y-5

    ASEMI工厂采用健鼎与冠魁专用设备,同时检测18项关键电性数据

    普通生产设备精度低,电性参数检测不严格,质量参差不齐一致性差

    应用领域/ APPLICATION

    应用领域
  • 正向电流

    4A
  • 反向耐压

    50V~1000V
  • 浪涌电流

    125A
  • 漏电流

    2ua
  • 操作温度

    -50℃~150℃
  • 合作伙伴/ PARTNER

    联系我们/ CONTACT US

    台湾ASEMI品牌GBP410,GBP407,GBP408,GBP406,ASEMI整流桥,内置74MIL芯片,适配高端电源/电脑适配器等

    GBP410的电性参数:最大正向平均电流4A;最大反向峰值电压1000V

    GBP408的包装方式:500/盒,5K/箱

    整流桥被广泛适用于:电源、充电器、适配器、LED灯饰、大小家电、民用及工业设备等产品中使用

    欢迎咨询 取样测试

    销售一部:0755-83235680

    销售二部:0755-83239557

    销售三部:0755-83239588

    海外销售部:(+86)0755-83231856

    24小时值班电话:15112282007

    400电话:400-9929-667

    邮箱:sales@asemi88.com

    传真:0755-83979773